Máy ép phun chính xác cao
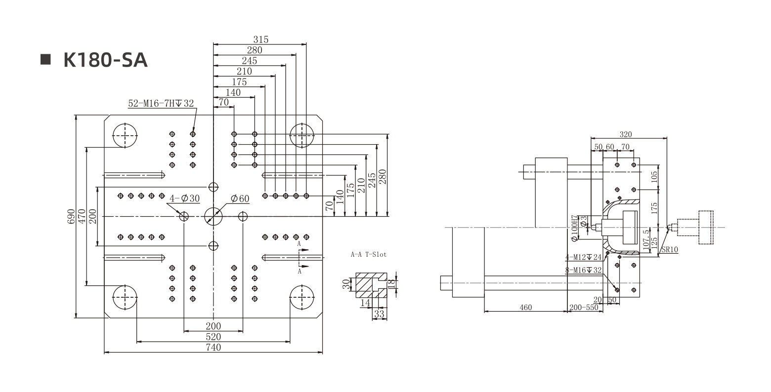
K180-SA
PREV PRODUCT:K230-SA
NEXT PRODUCT:K150-SA
| SỰ MIÊU TẢ | ĐƠN VỊ |
| K110-SMỘT |
| |
| |
|
| 350 |
| |
|
| A | B | C | ||
| ĐƠN VỊ TIÊM | Đường kính trục vít | mm | 40 | 45 | 50 |
| Tỷ lệ trục vít L:D |
| 22.5 | 20.0 | 18.0 | |
| Khối lượng bắn | cm3 | 283 | 358 | 442 | |
| Trọng lượng cú đánh (PS) | g | 257 | 326 | 402 | |
| oz | 9.1 | 11.5 | 14.2 | ||
| Áp suất phun | Quán ba | 2231 | 1763 | 1428 | |
| Tốc độ tiêm | cm3/s | 126 | 159 | 196 | |
| Khả năng hóa dẻo | g/s | 16 | 22 | 26 | |
| Tốc độ tối đa | r/phút | 190 | |||
| ĐƠN VỊ KẸP | Lực kẹp | kN | 1800 | ||
| Khoảng cách giữa các thanh giằng | mm | 520x470 | |||
| Kích thước tấm | mm | 740x690 | |||
| Cú mở đầu | mm | 460 | |||
| Chiều cao tối thiểu | mm | 200 | |||
| Chiều cao tối đa | mm | 550 | |||
| Khoảng cách giữa các trục lăn | mm | 1010 | |||
| Hành trình đẩy | mm | 130 | |||
| Lực đẩy | kN | 50 | |||
| Số lượng đầu phun |
| 5 | |||
| ĐƠN VỊ ĐIỆN | Áp suất hệ thống | Quán ba | 175 | ||
| Động cơ máy bơm | kW | 22 | |||
| Công suất sưởi ấm | kW | 10.0 | |||
| TỔNG QUAN | Dung tích bình dầu | L | 170 | ||
| Kích thước máy (LxWxH) | m*m*m | 5.2x1.3x2.0 | |||
| Trọng lượng máy | t | 6.0 | |||
| Công suất xả | kg | 50 | |||
| KHÔNG | Cấu hình thành phần | Thương hiệu | Nguồn gốc | Phạm vi cấu hình |
| 1 | bộ điều khiển | Phay nhôm 8 inch Techmation Đài Loan (AK628) | Đài Loan | K110-230 |
| 2 | bộ điều khiển | Phay nhôm 8 inch Techmation Đài Loan(TECH1) | Đài Loan | K270-460 |
| 3 | bộ điều khiển | Phay nhôm 12 inch Techmation Đài Loan(TECH2) | Đài Loan | K530-800 |
| 4 | Bơm dầu trợ lực | CÔNG NGHỆ CAO HOA KỲ | HOA KỲ | Phạm vi đầy đủ |
| 5 | động cơ servo | GIAI ĐOẠN | Nước Ý | Phạm vi đầy đủ |
| 6 | ổ đĩa servo | GIAI ĐOẠN | Nước Ý | Phạm vi đầy đủ |
| 7 | Bộ servo | Đức Rexroth | nước Đức | Không bắt buộc |
| 8 | Van đảo chiều | Nhật Bản YUKEN | Đài Loan | Phạm vi đầy đủ |
| 9 | Van đảo chiều | VICKERS Hoa Kỳ | HOA KỲ | Không bắt buộc |
| 10 | Động cơ nhựa trước | DANDUN | Trung Quốc | Phạm vi đầy đủ |
| 11 | Động cơ điều chỉnh khuôn | DANDUN | Trung Quốc | Phạm vi đầy đủ |
| 12 | Yếu tố niêm phong | U.KHALLITE | nước Anh | Phạm vi đầy đủ |
| 13 | hệ thống bôi trơn | HERG | Trung Quốc | Phạm vi đầy đủ |
| 14 | Ngắt mạch | CHUYÊN GIA NĂNG LƯỢNG | Pháp | Phạm vi đầy đủ |
| 15 | công tắc không khí | CHUYÊN GIA NĂNG LƯỢNG | Pháp | Phạm vi đầy đủ |
| 16 | Thước điện tử | Bonny | HOA KỲ | Phạm vi đầy đủ |
| 17 | Thước điện tử | NOVOtek | nước Đức | Không bắt buộc |
| 18 | Rơle trạng thái rắn | FOTEK | Đài Loan | Phạm vi đầy đủ |
| 19 | Công tắc hành trình | CHUYÊN GIA NĂNG LƯỢNG | Pháp | Phạm vi đầy đủ |
| 20 | Công tắc lân cận | FOTEK | Đài Loan | Phạm vi đầy đủ |
| 21 | Thùng vít | TONGDA | Trung Quốc | Đầy đủ |
Nhà máy đạt tiêu chuẩn cao
Công ty TNHH Sản xuất Máy móc KSM Ninh Ba là công ty hợp tác với công ty công nghệ nhựa cao cấp Italy chuyên sản xuất máy ép nhựa cao cấp. Công ty chúng tôi đặt tại Khu công nghiệp Ninh Ba Beilun Xing Ao. Chúng tôi có một số nhân viên R&D và hợp tác với một nhóm doanh nghiệp công nghệ cao. Là một người chuyên nghiệp Trung Quốc K180-SA-Máy ép phun chính xác cao các nhà cung cấp Và OEM/ODM K180-SA-Máy ép phun chính xác cao công ty, Nó chủ yếu sản xuất máy ép phun có độ chính xác cao với phạm vi lực kẹp từ 110T đến 1850T. Các sản phẩm có cấu trúc có độ cứng cao và được trang bị các bộ phận thủy lực và điện nhập khẩu, trục vít được sử dụng với đầu trộn để có hiệu suất nhựa hóa tuyệt vời và phù hợp với các loại khuôn ép nhựa kỹ thuật khác nhau và đơn đặt hàng đặc biệt của người dùng. Kể từ khi thành lập công ty, luôn chú ý đến danh tiếng của doanh nghiệp, thực hiện khoa học, quản lý với thiết kế hợp lý, dựa trên các dịch vụ trước, bán và sau bán hàng chất lượng để giành được sự tin tưởng và chấp thuận của đông đảo người dùng. Chúng tôi tuân thủ phương châm "trung thực, không ngừng cải tiến, chú trọng chất lượng, không bao giờ lơ là nỗ lực". Chân thành chào đón bạn bè từ tất cả wask để được hướng dẫn. Công ty có trung tâm nghiên cứu và phát triển với thế mạnh phát triển mạnh mẽ. Đồng thời, hợp tác với các trường đại học, cao đẳng trong nước để phát triển và nghiên cứu thiết bị ép phun, sản xuất nhựa và máy ép phun. Công ty có thiết bị kiểm tra ống tiên tiến và thiết bị thí nghiệm. Trong những năm gần đây, trung tâm R&D đã đạt được nhiều thành tựu về máy ép phun và thiết bị nhựa, quy trình lưu hóa cao su và phát triển công thức. Trân trọng mời khách hàng trong và ngoài nước đến thăm nhà máy của chúng tôi, và mong muốn sự hợp tác lâu dài của bạn để tạo ra một ngày mai tươi đẹp cho bạn!
Tại sao chọn chúng tôi
Chúng tôi có phòng thử nghiệm riêng và thiết bị kiểm tra tiên tiến và hoàn chỉnh, có thể đảm bảo chất lượng sản phẩm do thiết bị của chúng tôi sản xuất.
Năng lực sản xuất hàng năm của chúng tôi là hơn 500 bộ máy ép phun.
Chúng tôi tập trung phát triển các sản phẩm chất lượng cao dành cho thị trường cao cấp. Sản phẩm của chúng tôi phù hợp với tiêu chuẩn quốc tế và chủ yếu được xuất khẩu sang Châu Âu, Châu Mỹ, Nhật Bản và các điểm đến khác trên thế giới.
Chúng tôi chỉ cách Cảng Ninh Ba 15 km, việc vận chuyển hàng hóa đến bất kỳ quốc gia nào khác rất thuận tiện và hiệu quả.
Đảm bảo chất lượng cao với chuyên môn của chúng tôi
Chất lượng đáng tin cậy đích thực tự nhiên nổi bật và không sợ so sánh.
Cung cấp cho bạn những tin tức mới nhất về doanh nghiệp và ngành
1. Khái niệm cơ bản về khuôn nhiều khoang Khuôn nhiều khoang đề cập đến việc thiết lập nhiều k...
1. Hệ thống hybrid dầu-điện hiệu suất cao Các Máy phun dầu tốc độ cao điện sử dụng hệ t...
Ứng dụng hệ thống làm mát dầu trong máy ép phun nhựa Là một phương pháp làm mát hiệu quả...
Máy ép phun nhựa đóng một vai trò quan trọng trong nền công nghiệp hiện đại. Họ có thể sản ...
Máy ép phun nhựa đóng một vai trò quan trọng trong nền công nghiệp hiện đại. Họ có thể sản ...
Tỷ lệ phản xạ dòng chảy là một thông số quan trọng trong quá trình ép phun nhựa, đặc biệt đóng vai ...